Штифт распредвала ваз 2114 – Прокачай АВТО
Датчик распредвала ваз 2114 признаки неисправно...
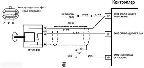
Датчика распредвала ваз 2114 схема подключения
Ваз 2114 датчик распредвала где находится 8
Момент затяжки ВАЗ 2114: ГБЦ 8 клапанов, распре...
Шкив распредвала ВАЗ 2114, 2115, 2109, 21099, 2...
Как проверить датчик распредвала ВАЗ-2114 мульт...
Распредвал на ваз 2114 8 клапанов - замена, рем...
Распиновка датчика распредвала ваз 2114 - 91 фото
Распиновка датчика распредвала ваз 2114 8 клапа...
Как снять шкив распредвала на ВАЗ 2114 #шкив#ва...
Датчик распредвала ваз 2114 - диагностика, ремо...
Как убрать осевой люфт распредвала ВАЗ 2114 - п...
Простой способ как убрать стук распредвала ВАЗ ...
Ремонт крышки распредвала ваз 2114
Стук Распредвала Ваз 2114 8 Клапанов Как Исправить
Как устранить стук распредвала ваз 2114 - ProDe...
Стук распредвала ваз 2114 8 клапанов как исправить
Купить Штифт распредвала ЗМЗ-406-1006037 [упако...
Корпус распредвала, постель ВАЗ 2114, 2115, 210...
Датчик распредвала на ваз 2114 – признаки неисп...
распредвал ваз 2114 8 клапанов характеристики
Стучит распредвал: что делать?
Как правильно затянуть распредвал ваз 2114 с во...
Как удалить срезанный штифт из распредвала ГБЦ ...
Звезда распредвала ваз 2114 8 клапанов (5 видео...