Exploring MAX17043: A Reliable Fuel Gauge IC fo...
Amazon.com: HiLetgo MAX17043 LiPo Fuel Gauge Li...
MAX17043: Compact and Accurate Fuel Gauge IC fo...
리포배터리 잔량 체크기 (MAX17043 LiPo Fuel Gaug...
MAX17043 Lithium LiPo Battery Level Fuel Gauge ...
MAX17043 LiPo Fuel Gauge connects to Arduino vi...
i2c LiPo Fuel Gauge MAX17043 Module
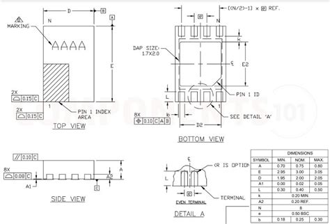
MAX17043 Li-ion Battery Fuel Gauge – SMD(TDFN-8...
MAX17043: Battery Monitoring Done Right (Arduin...
MAX17043 Battery Fuel Gauge Modules - Specs, Pi...
Interfacing MAX17043 LiPo Fuel Gauge IC with Ar...
MAX17043 I2C LiPo Fuel Gauge Lithium Battery De...
Buy MAX17043 LiPo Fuel Gauge at Affordable Pric...
LiPo Fuel Gauge (MAX1704X) Hookup Guide - Spark...
GitHub - sparkfun/SparkFun_MAX1704x_Fuel_Gauge_...
MAX17043 1-Cell/2-Cell Fuel Gauge with ModelGau...
LiPo Fuel Gauge MAX17043 with A D Conversion II...
MAX17043 LiPo Fuel Gauge Board Module for Ardui...
Crowtail- Lipo Fuel Gauge (ER-CRT00413L) lithiu...
LiPo Fuel Gauge Lithium battery power detection...
Amazon.com: LiPo Fuel Gauge MAX17043 with A D C...
MAX17043 LiPo Fuel Gauge Module — PMD Way