Подключение кнопок на руле к android магнитоле ...
Подключение кнопок на руле к магнитоле Pioneer ...
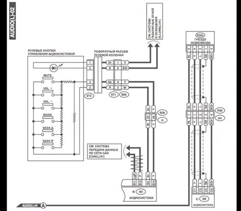
Как подключить кнопки на руле к магнитоле мазда 3
Схема подключения кнопок на руле китайской магн...
Адаптер для подключения кнопок на руле: 1 300 г...
Схема подключения кнопок на руле к китайской ма...
Купить Адаптер кнопок на руле для Лада/Renault ...
Как подключить кнопки на руле к китайской магни...
Подключение кнопок руля (мультируля) к магнитол...
Подключение кнопок на руле к магнитоле pioneer mvh
адаптер для подключения новой магнитолы в автом...
Как Подключить Кнопки На Руле К Магнитоле – Авт...
К подключить управление на руле к магнитоле: По...
Адаптер кнопок руля ADACAR к Шевроле Круз Chevr...
Подключение кнопок на руле к нештатной магнитоле
Как подключить кнопки на руле субару к магнитоле
Как подключить кнопки на руле Lada XRAY к Andro...
Адаптер кнопок на руле для магнитол на Android ...
Как подключить к магнитоле управление на руле