Дистанционный антенный коммутатор
Ручной антенный коммутатор - Антенны КВ - RA1OH...
Антенный коммутатор кв антенн своими руками
Антенный коммутатор для кв антенны: Купить анте...
Антенные коммутаторы на В2В и В1В
Антенный коммутатор для кв антенны своими руками
Коммутатор антенн RK-214 - Антенна Депо
Самодельный антенный коммутатор - Страница 3
Страницы RW3VA. АНТЕННЫЙ КОММУТАТОР КВ АНТЕНН. ...
Коммутатор антенн на 3 трансивера - Антенны КВ ...
Ameritron RCS-12X. Официальный поставщик. Розни...
Антенный коммутатор - Схемотехніка - Каталог ст...
Антенный коммутатор на 6 КВ антенн р/с RN6AM
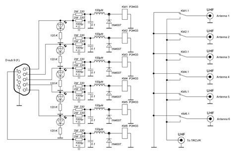
Антенный Коммутатор UHF Трансивер - SDR Приемни...
Кв антенный коммутатор (переключатель) MFJ-1700...
Самодельный антенный коммутатор - YouTube
КВ Антенный Коммутатор. - YouTube