Переменный резистор 500 кОм потенциометр B500K ...
B500K Резистор переменный 500 кОм шток 15 мм ку...
Купить 500k потенциометр WH148 B500K 500кОм пер...
Переменный резистор (потенциометр) 500 кОм mono...
Переменный резистор с выключателем B500K WH-148...
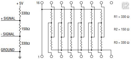
Сигнал - Электронные компоненты - Харьков - Укр...
8 B500K 15mm WH148_WH148双联_可调电阻/Rheostat_...
Переменный резистор (потенциометр) 500 кОм сдво...
RV097NS B5K моно с выключателем (5 выводов, L 1...
Резистор с выключателем 24S1-B500K L25F - купит...
Резистор переменный 500 кОм (kOhm) B500K-10mm
Купить переменный резистор Резистор переменный ...
Резистор переменный линейный WH148-1 D16 мм L=2...
5 шт., B1K, B2K, B5K, B10K, B20K, B50K, B100K, ...
RVC B500K WH148K1 (2pin) c выключателем резисто...
5шт RVC B50K WH148K1 (3pin) c выключателем рези...
Переменный резистор b500k с выключателем — купи...
B500k резистор с выключателем схема подключения
Переменный резистор B500K (с выключателем): про...
Резистор змінний моно B500K-15MM 500 кОм
Резистор переменный с выключателем 3pin R16В B2...
купить RV12MM B503 Потенциометр 50 кОм 5pin пер...
B50k B100k B250k B500k Variable Resistor Balanc...
Купить 5k потенциометр WH148 B5K 5кОм переменны...
Резистор B500K – купить в интернет-магазине OZO...
Переменный резистор с выключателем B5K WH-148 L-15