Блок питания модели ATX-400PN, 400W | Festima.R...
Atx 400pnr схема
SPARKLE POWER 400 W POWER SUPPLY ATX-400PN | MD...
FSP ATX-400PNR PRO купити в інтернет-магазині: ...
방출&기부 - 스파클텍 FSP ATX-400PN
Sparkle Power Supply 400W 24 Pin w/Noise Killer...
FSP PNR PRO ATX-400PNR 400W ATX 220V ~ 240V تصح...
SPARKLE ATX-400PN-B204 400 W Power Supply - New...
Блок питания ATX-400PN 400W купить в Липецке с ...
ATX-400PN Sparkle Power 400-Watts ATX12V 2.2 Sw...
ATX-400PN - Sparkle Power - Direct.Parts
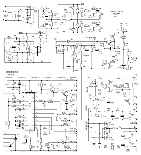
Ремонт блока питания ATX-400PN - YouTube
ATX-400PN Datasheet(PDF) - Sparkle Power Inc.
ATX-400PN — купить в Красноярске. Состояние: Б/...
Блок питания 400w ATX-400PN | Festima.Ru - Мони...
FSP ATX-400PNR-I купити в інтернет-магазині: ці...
Блок питания FSP ATX-400PN 400 Вт — купить, цен...
Sparkle 9PX4002105 ATX-400PN-B204 400W 20/24pin...
Sparkle Power ATX-400PN PSU Review - YouTube
Review – Fortron Sparkle ATX-400PN – 400 Watt P...
ATX-400PN ATX-400PN-B204 | Spi 400W Power Suppl...
FSP ATX-400PN — купить в Красноярске. Состояние...
ATX-400PN_4451358.PDF Datasheet Download --- IC...
Б/У блок питания для компьютера ATX ATX-400PN, ...
R-SP400PN Sparkle Power 400-Watts ATX Power Supply
Блок питания Great Wall ATX-400PN 400W 120FAN |...
SPI Sparkle Power ATX-400PN 400W 20/24pin Power...
컴퓨터 구성의 필수품 - 스파클파워/스파클케이스
Блок питания 400W (ATX-400PN) | Festima.Ru – ча...