Урал 4320 - предохранители и реле
ПРЕДОХРАНИТЕЛЬ УРАЛ ТТ ANL-ТТ350 (цена за упако...
Предохранители старого образца урал
Предохранитель-автомат URAL AF-DB250, 250 А, 20...
Предохранители Урал 5557-40, схема и описание
Схема предохранителей на урал: Перечень предохр...
Предохранители урал 5557 описание назначение
ПРЕДОХРАНИТЕЛЬ УРАЛ ТТ ANL-ТТ80 (цена за упаков...
Урал ТТ AGU-ТТ50 | Предохранитель типа AGU Урал...
Предохранитель типа AGU УРАЛ ТТ AGU-ТТ100 (5 шт...
Реле и предохранители автомобиля УРАЛ-6470
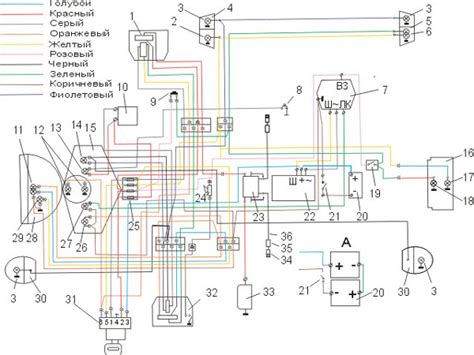
Полная схема проводки на мотоцикл урал
Предохранитель URAL ANL-DB350, 350 А, 2 Шт. - к...
Распиновка предохранителей урал 4320 - Электрот...
16 Предохранители на мотоцикл УРАЛ стандартный ...
Предохранители блок Урал - купить по низким цен...
Предохранитель Урал ТТ ANL-ТТ400 типа ANL (5 шт...