TodoElectrodo: Los Encapsulados
새로운 CW7805 CW7805C CW7805CS CW7805CZ CW7805C...
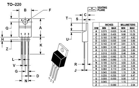
7805 Datasheet Pdf Pinout 3 Terminal Positive V...
7805 Voltage Regulator IC Pinout, Circuit, Data...
CW7805H gói TO-220 bóng bán dẫn hiệu ứng trường...
Wholesale transistor 7805 ic ICs, Electronic Co...
CW7805H - Standard Voltage Regulator for Reliab...
采用CW7805和F007构成的输出电压可调至0.5V的稳压...
Juxing Cw7805 3 Terminal 1.0A Positive Voltage ...
Cw7805 как проверить работоспособность • Вэб-шп...
CW7805 Datasheet Meta Search
CW7805组成的恒流源电路图-电源电路-维库电子市场网
三端稳压管 CW7805H CW7805 CW7805HCS TO-220 全新...
10pcs cw7805 cw7805h cw 7805 to -220 triple ter...
CW7805_JUXING(钜兴)_CW7805中文资料_PDF手册_价格...
CW7805 Electronic Components
CW7805 Datasheet - 5V, 1.5A, Voltage Regulator ...
CW7805H CW7805 CW7809 直插TO-220 三端穩壓管 全...
cw7805参数及cw7805应用电路 |电子通-应用新知,新...
(PDF) CW7805 Datasheet - (CW7800 Series) 1.5A /...
CW7805 - 5V, 1.5A, Voltage Regulator
CW7805H Datasheet(PDF) - List of Unclassifed Ma...
CW7805, CW7805H PDF - 1.5A / 5V / Voltage Regul...
UA7805CKCT Texas Instruments | Mouser Colombia
CW7805 7805 TO-220, IC, Semiconductor, Transist...
CW7805H pdf, CW7805H 상세설명, CW7805H 데이터시...
Transistor Cw7805h | MercadoLibre 📦
华润华晶CW7805 SOT-223 5V 1A电源_稳压IC_维库电...
cw7805是什么_cw7805引脚图和参数_cw7805和l7805区...
Exploring the 7805 Circuit: Operation and Appli...