Application of LFAC { Hz} for electrical power ...
13: LFAC transmission system | Download Scienti...
LF Capital Acquisition (LFACW) - Warrant Exchan...
Электровентилятор кондиционера В_ 2190 Datsun o...
Вентилятор охлаждения кондиционера 2190 ГРАНТА ...
International Language-for-All Conference
ADC chart of LFAC
🦏 LFAC - Light Freighter Arvus Class 28mm・ 3D ...
Электровентилятор кондиционера для автомобилей ...
Luthiers for a Cause Lichty Guitar 2021 | Licht...
AG Sim - LFAC - Calais Dunkerque Airport for Mi...
LFAC/LFAC aviation photos on JetPhotos
1909 Calais Dunkerque LFAC for Microsoft Flight...
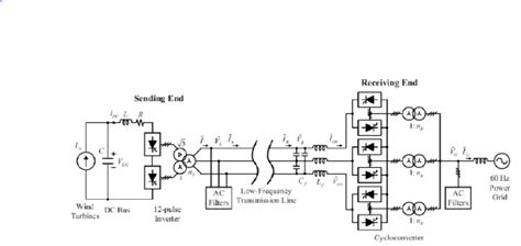
The Simplified Diagram of LFAC Transmission Sys...
LFAC – CALAIS DUNKERQUE – VFR Pilote
Figure 2 from THD ANALYSIS OF LFAC TRANSMISSION...
Comparison Of Cost-Effective Distances For LFAC...
King’s College School, Wimbledon – London Fee A...
Medico-Legal Reports - London Foot & Ankle Centre
Equivalent circuit of IH load with (a) HFAC sup...
Вентилятор радиатора кондиционера для Лада Гран...
ENG recordings during an LFAC test case. In the...
LFAC - Calais Marck
LFAC Calais Dunkerque Airport - Microsoft Fligh...
Multi-terminal LFAC system. Based on [127]. | D...
Электровентилятор конд. с кожухом для а/м ВАЗ 2...
Trans Controller – Mazda (LFAC-18-9E1A) | Modul...
LFAC, Calais-Dunkerque Airport