Купить Пружинный предохранительный сбросной кла...
Предохранительный пружинный клапан
Клапаны предохранительные пружинные – Пружинные...
Пружинные, фланцевые предохранительные клапаны ...
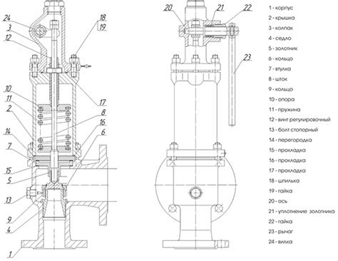
Клапаны предохранительные пружинные предназначе...
Предохранительные клапаны - фланцевые, пружинны...
Пружинные предохранительные клапаны прямого дей...
Обратный клапан и предохранительный клапан: раз...
ПРЕДОХРАНИТЕЛЬНЫЕ КЛАПАНЫ LESER®
Клапаны предохранительные
КЛАПАНЫ ПРЕДОХРАНИТЕЛЬНЫЕ ПРУЖИННЫЕ СППК: прода...
Предохранительные пружинные клапаны - все об ус...
Sempell Nuclear Model PSE Пружинные предохранит...
Клапаны предохранительные пружинные
Предохранительный клапан - устройство и принцип...
Предохранительный клапан сброса давления: устро...
Полезные статьи » Предохранительные клапаны
Клапаны предохранительные АДЛ Прегран КПП 096 п...
Пружинные предохранительные клапаны - Фото подб...
Клапаны предохранительные пружинные | СтройПрог...
Предохранительные клапаны | Продукция Unilok
Предохранительный клапан - устройство, типы, пр...