Микросхемы для ZX Spectrum Спектрума купить в С...
Микросхема к555лн1 описание и схема включения -...
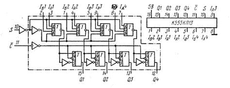
Микросхема К555КП13
Микросхема К155 К555 К561 К176 К531 К1533 серия...
Скупка радиодеталей в Ярославле. Покупаем радио...
Микросхема К555ИП3, характеристики, параметры, ...
Продукція - К555КП13 (74LS298) мікросхема (0298...
Обозначение микросхем серии 555
Микросхема К555ИД7
⭐ Микросхема К555ИД5. Низкие цены. На складе в ...
Купить Микросхема К555КП15 по цене 5 грн. в инт...
Дешифратор к555ид10 таблица истинности
Четыре логических элемента 2И - НЕ _ К555ЛА3
Клапан в сборе МР555, МР-555К - купить по выгод...
Рис. 149 Микросхемы К155АГ3 (К555АГ3) и АГ4 (К5...
Микросхема К555ЛЛ1
Микросхемы К155, К555, кр1533 | Festima.Ru - Мо...
Набор компонентов для сборки пк Океан 240 купит...
Микросхемы отечественные. Часть 4. Радиодетали ...
микросхемы к555 - к555лн1, к555лн2в, К555ли1, К...