Скачать ГОСТ 5090-86 Изделия скобяные запирающи...
Интерлок (дилер Abloy) - Каталог - Скобяные изд...
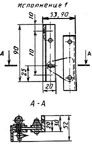
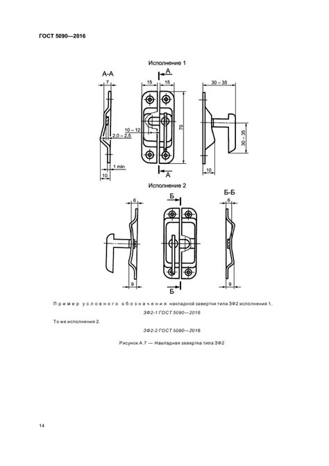
Скачать ГОСТ 5090-2016 Изделия скобяные для дер...
ГОСТ 5090-86. Изделия скобяные запирающие для д...
ГОСТ 5090-2016 Изделия скобяные для деревянных ...
Фурнитура п
Замочно-скобяные изделия
Купить скобяные изделия для дверей и окон по ни...
ГОСТ 5091-78. Изделия скобяные вспомогательные ...
Уголок окон. УГ-50 ГОЦ Кунгур /1000/50 - Замочн...
ГОСТ 5090-86 Изделия скобяные запирающие для де...