$M1L3 - 43 - 014 | withhyunbin | Flickr
New Panasonic vs M43: Micro Four Thirds Talk Fo...
$M1L3 - 18 - 044 | withhyunbin | Flickr
Question Luftwaffe M43 opinions
M43 is original?
M43 Opinions
$M1L3 - 13 - 044 | withhyunbin | Flickr
$M1L3 - 43 - 033 | withhyunbin | Flickr
M1L43 M1G43 100% New&original|Replacement Parts...
🔴 M1L31 vs M4SS4: D3B4T3 en VIVO - YouTube
Need help! M43 Review before purchase
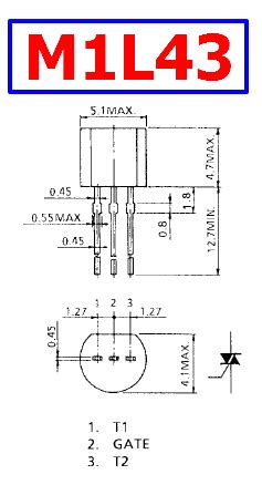
PDF M1L43 Components
$M1L3 - 43 - 013 | withhyunbin | Flickr
10PCS M1L43 TO-92 | eBay
M1L43 Datasheet Meta Search
M43 for opinions
$M1L3 - 24 - 003 | withhyunbin | Flickr
M43L
Swedish Mauser - M/94 Carbine Completely Matchi...
M41 2143 Tapolca, 2018. 08. 24. (2) | A Kék Hul...
M1L43_5122852.PDF Datasheet Download --- IC-ON-...
M43 Real or Replica?
T-64B - FineScale Modeler - Essential magazine ...
M1L43 TOSHIBA Discrete Semiconductors - Jotrin ...
$M1L3 - 34 - 041 | withhyunbin | Flickr
$M1L3 - 41 - 010 | withhyunbin | Flickr
Metabones®
SM1L43 Datasheet PDF - Toshiba