Схема Подключения 3х Фазного Счетчика - tokzame...
Счетчики косвенного включения схема
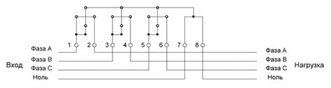
Десятипроводная схема включения счетчика
Счетчики косвенного включения схема - Moy-Instr...
Схема подключения счетчика электроэнергии - опи...
Схемы подключения счетчиков
Схема подключения счетчика
Схема подключения 3 фазного счетчика
Трехфазный счетчик: правила монтажа, схема подк...
Схема подключения счетчика в квартире - tokzame...
Подключение трехфазного счетчика прямого включе...
Монтаж электросчетчика: схемы подключения, инст...
Трёхфазный счётчик прямого включения: как прави...
Схема подключения трехфазного счетчика меркурий...
Счетчики прямого включения 380в 10-100а — купит...
Схемы подключения счетчиков электроэнергии
Установка электросчетчика в квартире: подключен...
Схема подключения счетчика электроэнергии для дома
Что такое косвенное подключение счетчика
Все схемы подключения электросчетчиков
Подключение счетчика через трансформаторы Содер...
Подключение счетчика через трансформаторы
Подключение счетчика энергомера се 300 через тр...
Преимущества использования счетчиков электроэне...
Схема подключения трехфазного счетчика электрич...