Гидро-вакуумный усилитель тормозов Волга 24
Купить Усилитель тормозов гидровакуумный ГАЗ 53...
Вакуумный усилитель тормозов (вакуумник, ВУТ): ...
Вакуумный усилитель тормозов: устройство и прин...
Гидровакуумный усилитель тормозов с клапаном 00...
Гидровакуумный усилитель тормозов Москвич 412
Вакуумный усилитель тормозов, устройство и прин...
ГАЗ-66-11. Гидровакуумный усилитель тормозов
Гидровакуумный усилитель тормозов
Устройство и особенности работы вакуумного усил...
ГA3-3307. Гидровакуумный усилитель тормозов
Вакуумный усилитель тормозов, диагностика и ремонт
Гидровакуумный усилитель тормозов газ-24 | Fest...
Гидровакуумный усилитель тормозов ГАЗ-53 ГАЗ-33...
Усилитель тормозов Усилитель тормозной гидровак...
Купить Усилитель тормозов гидровакуумный (вакуу...
Гидровакуумный усилитель тормозов: Гидровакуумн...
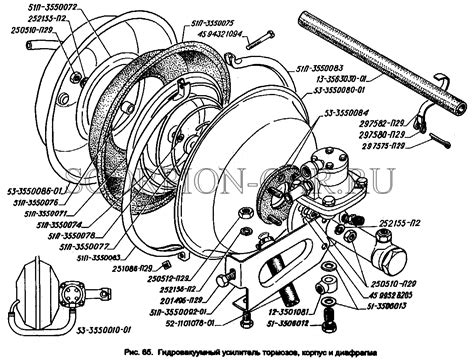
Гидровакуумный усилитель тормозов, корпус и диа...
Запчасти из группы 35 ТОРМОЗА / 3550 ГИДРОВАКУУ...
ГАЗ 66 Гидровакуумный усилитель тормозов, корпу...
Гидровакуумный усилитель тормозов - Базовые шас...
Купить Гидровакуумный усилитель тормозов Москви...
Гидровакуумный усилитель тормозов. Как устроен ...
Усилитель гидровакуумный тормозов и клапан упра...
Гидровакуумный усилитель тормозов | Festima.Ru ...
Гидровакуумный усилитель тормозов газ-2401, гву...
Гидровакуумный усилитель тормозов готов! — Моск...
Гидровакуумный усилитель тормозов Газ-66 купить...
53-12-3550010 ГИДРОВАКУУМНЫЙ УСИЛИТЕЛЬ ТОРМОЗОВ...