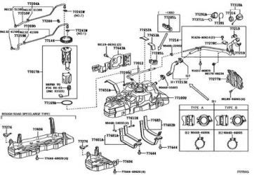
Топливная система прадо 150 дизель | Autoline-e...
Купить руль для Тойота Прадо 150 с анатомией и ...
Руль рулевое колесо Toyota Land Cruiser Prado 1...
Ресурс двигателя Тойота Прадо 150 дизель 3 литра
Кнопки руля Toyota Prado 150 2010 - 2017, кнопк...
KDSS на Прадо 150 - что это, как отремонтировать
Купить тюнинг руль на заказ для Тойота Ленд Кру...
Насос гидроусилителя руля Додж Интрепид, Крайсл...
Купить Руль Toyota Land Cruiser 200/ Prado 150 ...
Прадо 150 дизель какой двигатель
Очистка ЕГР прадо 150 3 л дизель - Тех. вопросы...
Прадо 150 ремонт датчика руля. Ошибка С1433. - ...
Тормозная жидкость Тойота Прадо 150 дизель - ин...
Ремонт насоса продувки катализатора прадо 150
Toyota Land Cruiser Prado 150 2009-2023 | Довод...
Kdss prado 150 ремонт своими руками
Отзывы владельцев о дизельном Тойота Прадо 150
Проверка Егр на Прадо 150 3л Дизель - YouTube
Какой двигатель лучше: Прадо 150 дизель 3л прот...
Фото Toyota Land Cruiser Prado (2014 - 2016) по...
Сколько ходит дизельный двигатель на прадо 150
Чистка ЕГР Прадо 150 3л - Автотехцентр Prado Tu...