Как подключить диодный мост от генератора к тра...
Диодный мост на зарядное устройство 12 вольт
Диодный мост схема для 12 вольт своими руками
Диодный мост схема для 12 вольт своими - 86 фото
Диодный мост для переменного тока 12 вольт
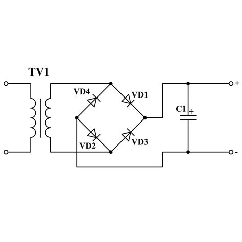
Практическая схема диодного моста на напряжение...
Схема диодного моста 12 вольт - инструкция и сб...
Как собрать диодный мост на 12 вольт
Диодный мост схема для 12 вольт
Как подключить диодный мост к трансформатору на...
Как спаять диодный мост на 12 вольт постоянного...
Как спаять диодный мост на 12 вольт
Как сделать диодный мост 12В своими руками: пош...
Как выпрямить напряжение 12 вольт? - ЭЛЕКТРИКА ...
Диодный мост схема для 12 вольт: основные принц...
Как сделать диодный мост на 12 вольт
Диодный мост для трансформатора 12 вольт своими...
Классическая схема диодного моста на 12 вольт
Схема диодного моста и график изменения структу...