В3-38В милливольтметр цифровой купить в «ТЕСТЕР59»
Милливольтметр в3-38
Вторая жизнь Милливольтметра В3-38Б. Продлим сч...
Цифровой милливольтметр переменного тока схема
Милливольтметр цифровой В3-52/1 купить и узнать...
LW-322D цифровой милливольтметр Авто/ручной CH1...
Милливольтметр цифровой постоянного тока IT-8-RUT
Миллиамперметр цифровой постоянного тока своими...
Милливольтметр В3 - 38 - «VIOLITY»
Купить тестер, мультиметр, вольтметр новый и б/...
Цифровой милливольтметр переменного тока своими...
Простой цифровой милливольтметр постоянного ток...
Милливольтметр цифровой широкополосный В3-59 ку...
В3-42 милливольтметр - купить в интернет-магази...
1MHz AC millivoltmeter
Цифровые мультиметры - ООО «Вектор-КИП»
Цифровой милливольтметр на микроконтроллере сво...
Вольтметр Переменного Тока 100 МкВ 400 В 2 Гц-2...
Цифровые мультиметры СССР | Пикабу
В3-59 милливольтметр цифровой широкополосный - ...
UNI-T UT622 двухканальный цифровой вольтметр пе...
Милливольтметр цифровой В3-60 купить и узнать ц...
Милливольтметр цифровой В3-52/1 — купить в Крас...
UT622 Двухканальный цифровой вольтметр переменн...
Милливольтметр цифровой В3-52/1 Москва | Товары...
Мультиметр (милливольтметр) цифровой прецизионн...
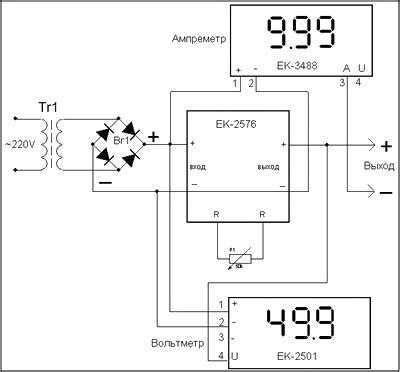
Пример построения регулируемого лабораторного Б...