Зубофрезерные станки: технические характеристик...
5В12 Станок зубодолбежный вертикальный полуавто...
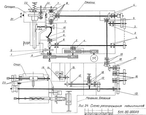
Чертеж зубодолбежного станка 5В12 для получения...
Настройка и наладка зубодолбёжного станка модел...
Зубодолбежные станки: технические характеристик...
Кинем. схема 5В12
Станок 5В12 .Продам зубодолбежный станок 5В12 ,...
Техническая характеристика станка модели 5в12:
Лаба №3
Чертежи конструкции зубодолбежного станка типа ...
С.А. Рябов Изучение и настройка зубодолбежного ...
Паспорт на станок 5В12 Зубодолбежный
Чертеж кинематической схемы станка зубодолбежно...
Adjustment of the 5V12 gear grinding machine an...
Кинематическая структура и настройка зубодолбеж...