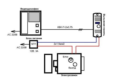
Схема подключения видеодомофона через витую пару
4 типа кабелей для подключения видеодомофонов: ...
Кабель для видеодомофона: какой выбрать для под...
Подключение видеодомофона - IP видеонаблюдение ...
Кабель для домофона: какой провод нужен для вид...
Схема подключения видеодомофона в квартире и ча...
Как подключить домофон?
Схема подключения домофона (видеодомофона) в ча...
КАК ПОДКЛЮЧИТЬ ВИДЕОДОМОФОН — 5 шагов и полезны...
Монтаж и подключение видеодомофона по выгодным ...
Кабель для домофонов - обзор марок кабеля для а...
Установка видеодомофона своими руками
Видеодомофон для частного дома с электромеханич...
Какие провода нужны для подключения видеодомофо...
Подключение видеодомофона: схема и видео подклю...
Схема подключения видеодомофона на одну квартиру
Как подключить видеодомофон в частном доме
Как выбрать и подключить кабель для видеодомофона
Подключение видеодомофона: схема и советы по са...
Как и какие провода закладывать для видеодомофо...
Провод для домофона: двухжильный, подключение в...
В соответствии с принципом, определяющим, какой...
Как подключить видеодомофон в частном доме или ...
Какой кабель использовать для Full HD видеодомо...
Схема Подключения Видеодомофона - tokzamer.ru
Домофон на калитку: установка с замком электром...
Блок сопряжения домофона координатный схема под...