Принцип работы авр
Автомат введення резерву TOMZN (АВР), огляд та ...
Изготовление и поставка АВР, технические характ...
Схема электрическая принципиальная автоматическ...
Об АВР и стоечных переключателях / Хабр
Схема авр на 2 ввода с реле контроля напряжения...
Устройства АВР (устройство автоматического ввод...
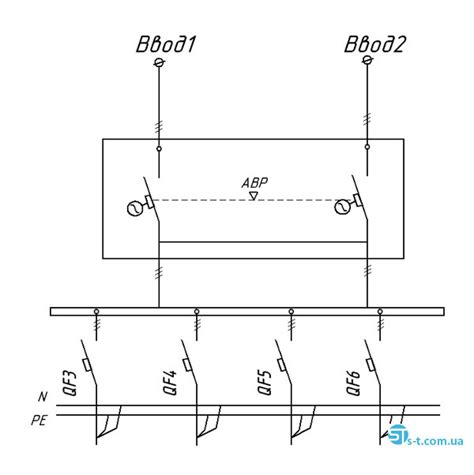
Схемы АВР на два ввода и характеристика, особен...
Схема авр
АВР назначение, технические характеристики, про...
Блоки АВР. Устройства АВР
Схемы АВР на автоматах с электроприводом на рел...
АВР
АВР - YouTube
Примеры изготовленных щитов АВР на разное напря...
Щит АВР | Energy All Automatics
Автоматика ввода резерва(АВР): схемы, назначени...
Схемы АВР
АВР фото
Производство Шкафов автоматического ввода резер...
АВР Автоматический Переключатель Из Электросети...