Инструкция Для Nice Rd 400 - linktracker
NICE RD400 FULL KIT автоматика для откатных вор...
Блок nice a400 инструкция
Nice RD400 Kitset Complete - 24 Volt, 400kg. - ...
Автоматика Nice RD 400 купить по низкой цене с ...
Комплект автоматики Nice RD400KIT3 с зубчатой р...
Nice ROAD RD-400 автоматика для відкатних воріт...
Автоматика для откатных ворот nice RD400 купить...
Nice rd 400 kce инструкция
Автоматика для ворот Nice RD400 купить в Калини...
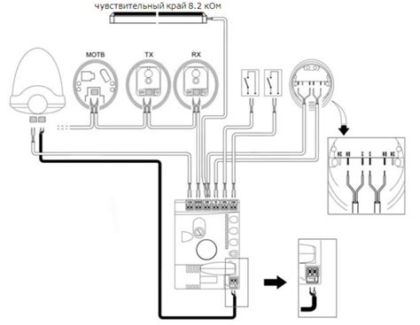
Nice rd400 схема подключения фотоэлементов
Автоматика для откатных ворот NICE RD400-LN5, к...
Привод Nice rd 400 - привод для откатных ворот ...
Автоматика для откатных ворот NICE RD 400 KCE К...
Автоматика Nice RD 400 KCE купить. Лучшая цена ...
Електропривод RB400 Nice для відкатних воріт (ш...
Купити автоматику Nice RD400 KCE для відкатних ...
Nice RD400 привод для откатных ворот
Автоматика для откатных ворот NICE - Приятный дом
Nice rd400 инструкция по монтажу
Kit automatizare Nice Road400RDKCE Full MSI, 400Kg
Автоматика для ворот Nice RD400 - купить в Минс...
Nice rd400 инструкция на русском подключения - ...