Купить газовую плиты Гефест, есть рассрочка
Газ Плита "" Гефест "пр. Беларусь 60/60,духовка...
Gefest минск
Схема электроподжига газовой плиты гефест 59 фо...
Купить газовые плиты Гефест на официальном сайт...
Продам газовую плиту б/у Гефест 3200, 55х57х85,...
Свечи купить в пензе для газовой плиты — купить...
Купить газовую плиту GEFEST, есть рассрочка
Газовая плита Gefest 2-х конфорочная Беларусь. ...
Лучшие газовые плиты для дачи Гефест | gefestsh...
ГЕФЕСТ - Купить свечу электроподжига набор разр...
Газовая плита Gefest — Tabilga.kg
Электроподжиг, блок поджига для газовой плиты. ...
Комплект жиклёров (форсунок) газовой плиты "GEF...
Свеча электроподжига розжига разрядник для подж...
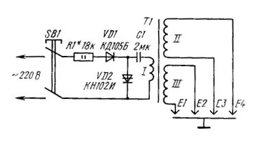
Схема блок розжига газовой плиты
Гефест Электрическая плита 5160-02 0095
Газовая настольная плита Гефест/Обзор, установк...
Сообщество «Плиты ГЕФЕСТ газовые комбинированны...
Продаю газовую плиту Гефест с электроподжигом и...
Газовая плита. Гефест. Стеклянная поверхность. ...
Газовая плита Gefest 6702-04, купить по выгодно...
Плита электро-газовая Гефест 5102-03 0025 — куп...
Блок розжига для газовой плиты Гефест Запчасти ...
Газовый плиты Гефест
купить плиту газовую с газовой духовкой гефест ...
Подключение электроподжига газовой плиты - YouTube
Свечи для электроподжига газовой плиты gefest к...
Газовые плиты Интернет-магазин