Ippon Smart Power Pro 1000 купить + отзывы и ха...
Обзор линейно-интерактивного ИБП Ippon Game Pow...
Обзор источника бесперебойного питания IPPON Ga...
Обзор ИБП IPPON Smart Power Pro 1000
Обзор ИБП Ippon Smart power pro 1000
Источник бесперебойного питания Ippon Smart Pow...
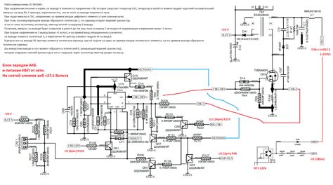
Ippon smart power pro 1000 схема электрическая ...
ИБП UPS Ippon Smart Power Pro 1000 с АКБ - Корп...
Обзор линейно-интерактивных ИБП Ippon Smart Pow...
ИБП IPPON Smart Power Pro 1000 – купить в Минск...
IPPON Smart Power Pro 1000 купити в інтернет-ма...
ИБП Ippon Smart Power Pro 1000 600Вт 1000ВА — к...
Ибп IPPON Smart Power Pro. Официальный Сайт IPP...
UPS Ippon Smart Power Pro 1000: funkce, pokyny ...
Ремонт иБП IPPON SMART POWER PRO 1000 - история...
UPS ippon pro 1000 | Festima.Ru - Мониторинг об...