Планета Меркурий - презентация онлайн
MAC301-R24-Меркурий - ООО "Энерго-52"
Интересные факты о планете Меркурий — История и...
Меркурий в 6 доме: что это значит в натальной к...
Планета Меркурий
8 октября Меркурий достигнет максимальной утрен...
Меркурий - презентация онлайн
Настройка MAC 301 для счетчиков Меркурий - YouTube
Планета Меркурий (Инфографика) | Открытый космо...
Art 02 pqrsin
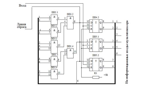
Меркурий 301 схема подключения
Меркурий туралы сіз білмейтін 8 факт. - YouTube
Меркурій – УМІТИ
Путешествие по солнечной системе | Меркурий
Планета Меркурий фото из космоса (Большая колле...
МЕРКУРИЙ - НИТЬ ВРЕМЕН
Меркурий в рыбах в ведической астрологии
Меркурий в Телец - Астро - Новини Бг
Меркурий (планета) | это... Что такое Меркурий ...
"Северная верфь" передала Военно-морскому флоту...
Меркурий - описание планеты, атмосфера и поверх...
Физические характеристики меркурия кратко
Меркурий - online presentation
Меркурий – Мир Знаний
Счетчик меркурий - обзор современных моделей, с...
" MODBUS-адаптер электросчетчика ""Меркурий"" M...