22) Счётчики с последовательнопараллельным пере...
Считыватели, proximity считыватели, считыватель...
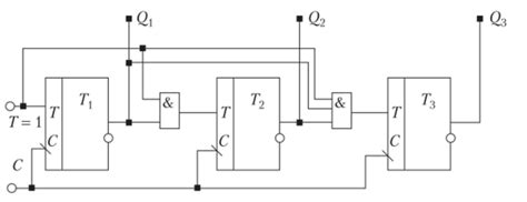
34. Методика синтеза синхронных счетчиков. Сумм...
Замок электронный IronLogic Z-695 EHT
Цифровая схемотехника. Счетчики. (Лекция 11) - ...
4.2. Счётчики и регистры
Считыватель-2 исп.01
Встраиваемый счётчик наработки или борьба с хит...
Matrix-II K автономный считыватель с контроллер...
Считыватель SmartReader | MicroSensor
Счетчики с последовательным переносом
Считыватель брелоков Считыватель-2, Считыватель-3
Считыватель-2 исп.00 - купить с доставкой по вы...
4.2.2. Синхронный двоичный счетчик
Синхронный счетчик с преобразователем кода на в...
Счётчики. Классификация счетчиков по основным п...
Настенные считыватели
ACR1251U считыватель rfid писатель rfid Дублика...
Счетчики. Суммирующий счетчик.
Считыватель для ключей Touch Memory Радий Считы...
Считыватель С-1 | Контрактное производство элек...
Считыватель-2 исп.00 | Считыватель Touch Memory
Презентация на тему: Счётчики с ограниченным мо...
Счетчики - ЦИФРОВЫЕ УСТРОЙСТВА И МИКРОПРОЦЕССОРЫ
Однофазные счетчики - компания All Smart Device
Счетчик нажатий электронный - «Многофункционало...
Счетчики. Последовательный двоичный счетчик. Ас...
Мультиформатный считыватель IR19 (EMM/HID/MIFAR...
Умный Счетчик