Камера заднего хода для грузовиков - YouTube
Защита заднего переключателя велосипеда - YouTube
фонарь заднего хода. — DRIVE2
Звуковой сигнал заднего хода, подача звукового ...
Дублирование изображения с камеры заднего хода....
Не загорается задний ход(Не горят лампы заднего...
Велосипедный передний и задний дисковый тормозн...
Диоды в задний ход — Great Wall Hover, 2,4 л, 2...
видеокамера заднего хода! — Mazda 6 (3G) GJ, 2,...
Движение задним ходом - презентация онлайн
Движение задним ходом. Просто, когда знаешь нюа...
Разборка и сборка задних тормозов без лишних ус...
Камера заднего хода. - YouTube
Сгнил разъем заднего хода — Volkswagen Polo Sed...
Зуммер заднего хода.Читайте описание. - YouTube
Камера заднего хода. — Suzuki Grand Vitara (2G)...
Замена задних тормозных дисков — Honda Stepwgn ...
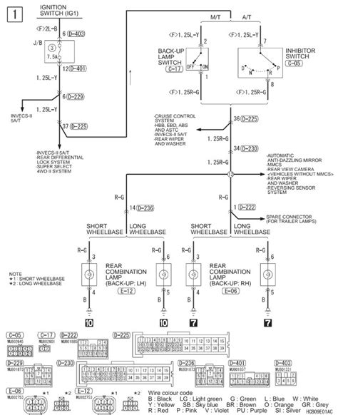
Автодиагностика для начинающих. Ищем плюс в цеп...
Прочный Применение велосипед передний переключа...
Ксенон в задний ход — Mitsubishi Lancer X, 1,5 ...
Задняя подвеска - презентация онлайн
Задняя ходовка — DRIVE2
Камера заднего вида . разъемы головного устойст...
Разъемы для автомобильной проводки купить в Тул...
Разъем датчика включения фонарей заднего хода P...
Замена датчика заднего хода (выключатель заднег...
Камера заднего хода — Datsun on-Do, 1,6 л, 2015...