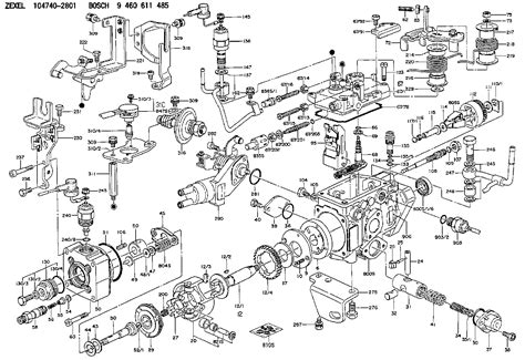
Zexel Injection Pump - Marine Diesel Engine Repair
ZEXEL / BOSCH DIESEL FUEL INJECTION PUMP # 1046...
BOSCH & ZEXEL DISPLAY JB, Johor, Malaysia Shop,...
Sell Bosch Denso Zexel Ve Pump Fuel Injector(id...
Zexel png images | PNGWing
Hochwertiges, effizientes zexel bosch für Fahrz...
Bosch Zexel (Zd + Zx + Zw)
zexel diesel engine nozzle - bosch/denso/zexel ...
Bomba de combustible Zexel Bosch 9440610819 105...
ZEXEL | INJEGOV SA
101041-8770 from BOSCH AUTOMOTIVE - ZEXEL / DIE...
Distribute Zexel /bosch Injector Zexel Japan/pl...
Buy Primer Hand Pump For Zexel Bosch Feed Pump ...
Diesel Nozzles Of Bosch, Denso, Zexel From Chin...
Zexel | Bosch
Zexel ESPI - Car Diagnostics 4 Less
BOSCH & ZEXEL - JNB Company Limited
146538-4020 ZEXEL 9 461 618 464 BOSCH CONTROL L...
106069-5201N (106692-4493; 9410610102) New Dies...
BOSCH & ZEXEL DISPLAY Diesel Fuel Injection Pum...
China ZEXEL Manufacturer and Supplier | Dongtai
DRS – production ZEXEL. Diagnosis and repair ZE...
Verificare Pompa in Linie Bosch/Zexel - Express...