ABB PSR - seria kompaktowych softstartów od fir...
ABB PSR MANUAL Pdf Download | ManualsLib
ABB PSR, PSE & PSTX Softstarter Range
ABB PSR Softstarter - The compact range - Switc...
ABB, softstart, PSR25-600-70, 11kW, 25A,control...
PSR | ABB
ABB PSR3-600-70 PSR SSTR,600V/240VA | Crawford ...
Softstarters | ABB
1SFA896114R7000 ABB | Arrancador suave ABB PSR,...
1SFA896112R7000 ABB | Arrancador suave ABB PSR,...
Introducing ABB Soft Starter PSR: Smooth, Relia...
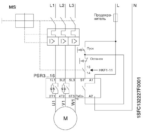
Устройства плавного пуска ABB PSR
1SFA896104R7000 ABB | Arrancador suave ABB PSR,...
ABB PSR Soft Starter for Three Phase Motor, 15k...
ABB, PSR25-600-70, Soft Starter, 24.2 Amps, 7.5...
PSR - Softstarters | ABB
PSR30-600-70 | ABB
Устройства плавного пуска ABB PSR – компактная ...
PSR9-600-70 | ABB
ABB PSR Series Soft Starters - A GalcoTV Overvi...
PSR12-600-11 | ABB
1SFA896109R7000 ABB | Arrancador suave ABB PSR,...
ABB, PSR30-600-11, Soft Starter, 28 Amps, 10 HP...
ABB PSR软启动器_ABB_产品_ABB一级授权经销商 一级...
ABB PSR Compact - APDS
PSR45-600-70 | ABB
ABB PSR Softstarter - First Fame Systems
ABB - PSR12-600-70 - Softstarter, Compact, 600V...
ABB Soft Starters PSR Series
ABB AC SOFT STARTER - PSR