Реле постоянного и переменного тока - особеннос...
Наладка реле РНТ | Электромагнитные реле тока и...
Исполнения и основные технические данные реле Р...
Электромагнитное реле - презентация онлайн
Устройство и конструкция реле РНТ | Электромагн...
Электромагнитные реле тока и напряжения РТ и РН...
Принципы выполнения дифференциальных токовых за...
Как устроено электромагнитное реле
Принцип действия реле тока: устройство и назнач...
9. Электромагнитные реле тока и напряжения Прин...
Электромагнитное реле: принцип действия, особен...
Электромагнитное реле: устройство, маркировка, ...
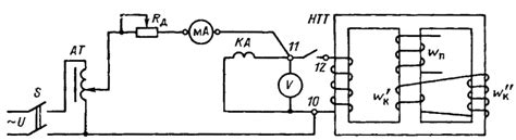
Рнт 565 настройка: Наладка реле РНТ | Электрома...
Электромагнитное реле: что это, как работает, в...
Реле тока. виды и устройство. работа и как выбр...
Разница реле напряжения от реле тока
Вопрос 1. Электромагнитное реле. Электромагнитн...
Электромагнитные реле напряжения и тока
Реле тока схема чертеж
3. Электромагнитные реле постоянного тока
Реле напряжения и тока RD-MVA 32A - купить по в...
Принцип действия реле тока – упрощенный вариант...
Реле контроля напряжения и тока на DIN рейку, р...
Электромагнитные реле тока и напряжения