Схема мультиметр dt9205 - 96 фото
Мультиметр DT9205A. Обзор - YouTube
DT9205A цифровой мультиметр обзор - YouTube
Мультиметр цифровой DT9205A купить в Украине
DT9205 Digital Multimeter - Precision AC DC Tes...
Automotive Digital Multimeter Dt9205 - Buy Digi...
DT9205A digital multimeter | Oku Electronicss
Мультиметр DT9205 - YouTube
Multimeter - Commercial Multimeter DT9205 for s...
Digital multimeter dt9205, Everything Else on C...
Digital Multimeter (DT9205A) | CE Store
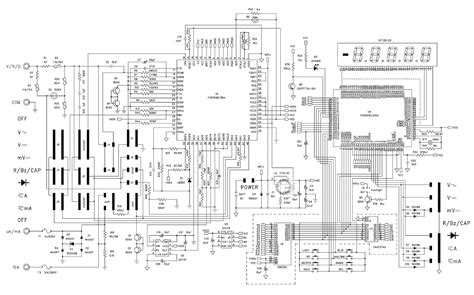
Schematic Diagram Dt9205a Digital Multimeter
Dt9205 Digital Multimeter Ac Dc Ammeter Volt Oh...