TDA7250 Stereo Amplifier Brand New 2 x 100W 4R,...
Усилитель низкой частоты (УНЧ) на микросхеме TD...
Tda7250 Kit 10x Peças Circuito Integrado Envio ...
ci TDA 7250 ~ ic TDA7250 ~ 6W audio amplifier w...
Wzmacniacz TDA7250. Zdjęcia konstrukcji. Zasila...
TDA7250 2x80W + predzosilovač j - Svet Elektroniky
TDA7250 250 watts audio amplifier circuit | Aud...
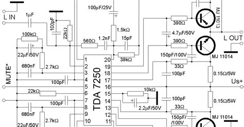
Electronics: Super Power Amplifier using TDA7250
Placa-amplificadora-de-m-sica-de-alta-potencia-...
ขาย TDA7250 ไอซี IC ตัวถัง DIP-20ขา ยี่ห้อ SGS ...
TDA7250 ST Microelectronics 60W Dual Hi-Fi Audi...
IC0312 - TDA7250 60W Dual Amplifier
Купить Микросхема TDA7250, цена 376 ₴ — Prom.ua...
Elektronics Schematic Library: Power Amplifier ...
PCB for audio amplifier with TDA7250! | diyAudio
TDA7250 Datasheet(PDF) - STMicroelectronics
Amplificador com Bias Automático com CI TDA7250...
TDA7250 datasheet - 60W Hi-fi Dual Audio Driver
TDA7250驱动的100W功放--TDA7250 power amplifier
tda7250
Jual Ic tda 7250 plus PCB nya - Jakarta Barat -...
Amplificador Com Bias Automático Com CI TDA7250...
Hi-Fi Power Amplifier 100W with TDA7250 Driver ...
TDA7250组成的120W大功率放 - 功率放大器电路图 - ...