Ntp-7500l 7500l Ntp7500l | MercadoLibre
NTS7500 Series Power Grade IEC61850 3 Industria...
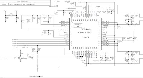
Ntp 7500l Ic Circuit Diagram 100% Neue & Origin...
Ic Ntp7500l Audio Amplifier Tv Lcd Led Ntp 7500...
Ntp7500 Ntp7500l Circuito Integrado Amp | Merca...
Ntp 7500l Ic Circuit Diagram
Ci Circuito Integrado Ntp-7500 Ntp 7500 | Merca...
Yahoo!オークション - 未使用 キーエンス EtherNet...
2 uds. NTP 7500L NTP7500L QFN|Circuitos integra...
NTP 7500L NTP7500L-in Electronics Stocks from E...
Ci Smd Circuito Integrado Ntp7500l Ntp-7500l No...
[Rozwiązano] LG 47LM860V - brak fonii w głośnik...
Integrado Ntp7500l Ntp-7500l 7500 Smd Qfn56 Nov...
Harga Ntp-7500l Terbaru April 2023 |BigGo Indon...
Микросхема NTP-7500L: продажа, цена в Львове. м...
EBT62095802, EAX64434205-1, EBR74482919, Z1038P...
NTP-7500L | Utsource Продукт | Дзен
NTP 7500L LCD TV chip-in Integrated Circuits fr...
NTP-7500L Circuito Integrado | Compra en Línea ...
【昌胜电子】全新原装 NTP-7500L液晶屏芯片 QFN_虎...
Shipping NTP 7500L Free LCD screen IC|ic| - Ali...
NTP-7500L LCD chip QFN Electronics spare parts ...
2 uds NTP 7500L NTP7500L QFN|controles remotos|...
(2piece)100% New NTP 7500L NTP7500L QFN Chipset...
Free Shipping 1PCS/LOT NTP 7500L QFN48|lot case...
วงจรรวม QFN NTP-7500L NTP7500L 2 ชิ้น | Shopee ...
一款采用NTP-7500L芯片的伴音电路图 - 家电维修资料网
100% neue & original NTP7500L NTP-7500L
Jual IC NTP7500L NTP-7500L audio amplifier - Ka...
NTP7500L QFN