Yamaha Jog - Billeder af scootere - Uploaded af...
Unraveling the Mystery: Yamaha Jog Wiring Diagr...
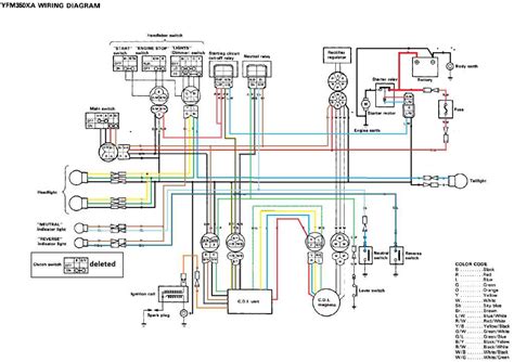
Yamaha Jog Wiring Diagram
SCOTER Схема электрооборудования YAMAHA JOG
YAMAHA JOG - Review and photos
Yamaha jog - Billeder af scootere - Uploaded af...
Yamaha Jog Wiring Diagram » Schema Digital
Yamaha jog as - Billeder af scootere - Uploaded...
Инструкция по ремонту электрооборудования Yamah...
Yamaha Jog as - Billeder af scootere - Uploaded...
Yamaha Jog As - Billeder af scootere - Uploaded...
Wiring Diagram for Yamaha Jog: Simplifying the ...
YAMAHA JOG - yamaha-jog_key_2.jpg
Yamaha Jog
Yamaha Jog Rr Wiring Diagram
YAMAHA JOG - yamaha-jog_key_14.jpg
Yamaha Yamaha Jog - Moto.ZombDrive.COM
Отзывы владельцев Ямаха Джог / Yamaha JOG
Yamaha Jog poster