Распиновка rs 485 разъема - Электротехника и эл...
RS 485 (RS485) интерфейс: преобразователи (конв...
Передача сигналов интерфейса RS-485 по оптоволо...
Підключення RS-485 - Безпека та відеоспостереження
Электронные модули (ARDUINO) USB-RS485 цена 314...
Линии и сети RS-485: основные сведения, указани...
Интерфейс RS - 485. Связь устройств посредством...
What is RS-485 & How to Use MAX485 with Arduino...
RS-485 (Recommended Standard 485) - КИПиС
промышленный интерфейс rs 485 что это
Что такое связь RS485? Функции, принцип работы,...
Industrial Rs485 Rs422 Rs232 Serial To Optical ...
Купить Конвертер Waveshare RS485 в Ethernet
คุณต้องการการสื่อสาร RS485 ในแบตเตอรี่ลิเธียมหร...
Rs 485 usb схема
Уроки Ардуино. Аппаратная реализация интерфейса...
Уроки Ардуино. Интерфейс RS-485. | Оборудование...
RS-485 Vs RS-232 Key Differences Between RS-485...
Buy RS485 to 8 Ports RS485 Repeater Optical Iso...
RS485/RS422 в Ethernet (RS 485 Ethernet): купит...
RS485 Communication with Arduino: Complete Guid...
Удлинитель интерфейсов rs485 в оптику купить в ...
Система rs485
RS485 to TTL MAX485 Arduino Module - Pixel Elec...
Opto-Isolated RS232 to RS485 Converter (Industr...
Контроллер RS-485 - OSHWLab
Rs 485 Схема Подключения - tokzamer.ru
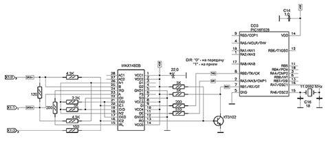
Схемы подключения PIC контроллера к линии RS-485
Делаем шлюз Ethernet-RS485 на STM32 для Mysensors
RS485 RS422 Serial Optical Converter – HANUTECH...