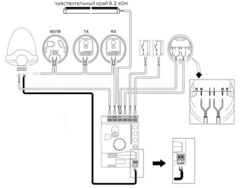
Плата управления шлагбаума X-Bar Nice XBA2: про...
Nice xba2 схема подключения
Установка шлагбаума nice инструкция
Программирование пульта от шлагбаума Nice X-Bar...
Nice xba2 инструкция по настройке
Блок управления XBA2 Nice, SPXBA2 для шлагбаума...
Nice XBA2 řídící jednotka závory Nice XBAR, X-B...
Logique de commande - NICE XBA20 - Barrière lev...
Nice XBA2 X-BAR Control unit
Sony XBA-S65, XBA-1 and XBA-2 Review | Headphon...
Logique de commande NICE XBA2 pour barrière lev...
Riadiaca elektronika pohonu vjazdovej závory NI...
NICE XBA2 Spare panel for X-BAR raiser system :...
NICE XBA2 блок управления X-BAR купить по низко...
Запчастини Nice#N# в Дніпрі від компанії "інтер...
Шлагбаумы NICEBAR Nice - заказать в СПб
Контроллер nice XBA2 и XBA20 | Festima.Ru - Мон...
Плата керування X-Bar (XBA2) - Gant Сервіс
How to know the value of the resistor? Nice XBA...
Unitate de schimb Nice XBA3HF - nice.store.ro
NICE XBA2 - riadiaca jednotka pre závory NICE X...
Nice XBA2 náhradní řídící jednotka vjezdové záv...