A380
Airbusa380emirstva
Airbus А380 » BigPicture.ru
Шасси а380 - RusPilot.com
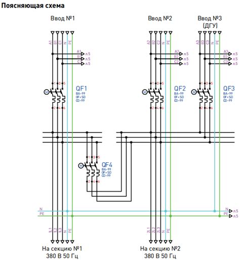
Альбом схем АВР-380 от компании EKF
Ербас А380 (2005) - 3D модел - Mozaik дигитално...
Reg.: 9V-SKD Hersteller: AIRBUS Typ: 380-841 Se...
A380 интересные факты | PDF
"A-380" Fotos - Flugzeug-bild.de
Поставки и заказы А-380. Июнь 2012 года: a380_c...
A-380 Foto & Bild | luftfahrt, passagiermaschin...
Щиты автоматического ввода резерва, собственное...
Транспортный блог Saroavto: Поставка Airbus А38...
Шеврон #380
A 380 Foto & Bild | luftfahrt, passagiermaschin...
.380 ACP | The Walking Dead (TV) Wiki | FANDOM ...
АВР -220-380 автоматический ввод резерва: 250 г...
A-380 - Aeroplány.cz
Последний полёт a380 | Пикабу
Схема авр для генератора с автозапуском 380
„Ербас А-380“ авионите „летаат“ вo пензија - Oh...
Шкаф авр 380в 100а - 95 фото
Клуб любителей самолёта А-380 — LiveJournal
Как строят А380
Сбогом, A380! | Аеро
Поставки А-380. Сентябрь 2012 года: a380_club —...