Блок питания компактный 12 Вольт 60 Ватт 5 Ампе...
Люстра потолочная светодиодная Estares SATURN S...
Драйвер для светодиодной люстры 60W+60W +пульт,...
Изображение
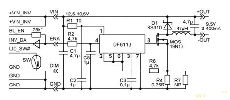
Схема драйвера saturn 60w r 555 shiny 220v - Фо...
Драйвер Smartbuy LED IP20 60W для LED ленты SBL...
VEGA-60 LED драйвер 60W - 296.67грн
Драйвер светодиодный LED 60w 12v артикул LB005 ...
Драйвер pluton 60W imigy60W saturn 60W arion 10...
Драйвер LED 60w 12v. артикул 71465 Navigator Gr...
Драйвер LED 60w 12v. артикул 94679 Navigator Gr...
Драйвер (Трансформатор) для светодиодной ленты ...
⭐ Драйвер LED-DR-12V-60W-SLIM. Низкие цены. На ...
Драйвер Smartbuy LED IP20-60W, для LED ленты, 2...
Драйвера и инструкция для Светильник потолочный...
Драйвер для Светодиодных Люстр (40-60W)х4 (3+3)...
Драйвер светодиодный LED 60w IP67 12v артикул 7...
Купить Драйвер LED 60w 12v. артикул 71465 ND-P-...
Драйвер светодиодный LED 60w 12v IP67 артикул L...
Драйвер для Quantum board 1300мА 60W металл IP6...
Электронный трансформатор FERON для светодиодно...
Драйвер для светодиодной ленты , 12В, 60 Вт, IP...
Блок питания для светодиодной ленты General, 12...
40-60W X2 Led Driver – купить в интернет-магази...
ESTARES Saturn 60W AC 170-265 IP44 Инструкция п...