MG 5103 — Postimages
V5103;W-EINLAGE 1/2+ STECKSCHL.SORT. 1/2"+1/4"
MT-5103
M103-3 | Wargames-News
C5103_184771.PDF Datasheet Download --- IC-ON-LINE
MD5103 - Minful Friction 明豐國際興業有限公司
M103 — Каропка.ру — стендовые модели, военная м...
M103-5 | Wargames-News
ที่คีบญี่ปุ่น 9.5 - 11.5 นิ้ว สแตนเลส 304 หัวแบ...
Nürnberg 2015
Märklin 5103 Anschlussgleis gebogen R: 360 mm g...
Märklin 5103 Anschlußgleis, gebogen - Modellbah...
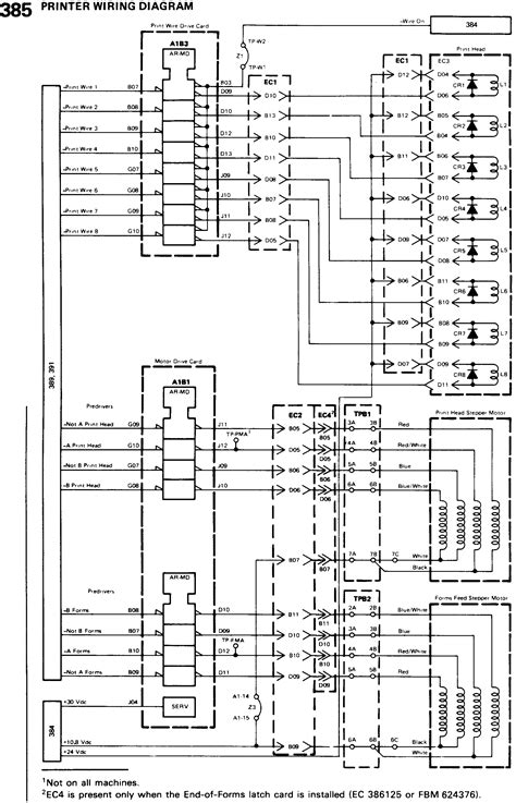
IBM 5103 Matrixdrucker
Item #4
DIFA M5103 - фильтр масляный | Купить в Антек
जॉन डियर 5103 S #shortvideo - YouTube
M5101/M5102/M5103
M-1053 – MRDEC HOME
DIN EN 55103-2 | EMC Standard
Märklin M 5103 Anschlußgleis gebogen f. digital...
M103-9 | Wargames-News
M.1053-CLEAN – D&D Barry
Märklin 5103 - Anschlussgleis - gebogen - M-Gle...
M103 - ПУТЬ К ОТМЕТКАМ - YouTube
Nikolay Demencevich - M103
FMoptics 5103 - FMoptics
Bestand:Märklin 5103.jpg - 3rail Wiki
SWAN
M103
5103 คำราม - YouTube
MS51023-109 Screw - length 5/8 - Military Faste...
5103 hi-res stock photography and images - Alamy
M2103-3005-AL EDA | CAD 3D Model Download | Dig...