Что такое трамблер, устройство и принцип работы
нужен трамблер тойота 4а, 5а F — Toyota Caldina...
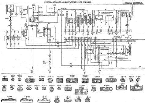
Трамблер тойота 5а fe схема - Фото подборки 3
Что такое трамблер в автомобиле? - фото и видео
Cнятия трамблера с двигателя 5А-FE, с полным ра...
Трамплер
Трамблер 4/2 5а, 7а, fe почти новый на Toyota C...
5A Plus - каталог товаров магазина на AliExpress
Трамблер 4A-FE, 5A-FE, 7A-FE (фишки 2+6) - YouTube
Трамблер: устройство и принцип работы
Купить 3 шт./лот новый мини 50а/5а 100А/5а 150а...
төм5а | PDF
5а
Трамблер 4A-FE, 5A-FE, 7A-FE (фишки 2+5) - YouTube
5 | МОДЕЛИСТ-КОНСТРУКТОР
Продам два трамблёра от 5а мотора. | АВТОРЫНОК ...
Трамплер новый на Газ 52
Лебедка ТЭЛ-5A тяговая электрическая , 5,7 тонн...
От утре се възстановява движението на трамвай №...
Възстановяват движението по линията на трамвай №5
Что можно сделать с трамблёром 5A или двигатель...
5 мм терминал
Тумблер без фиксации @ аналог тумблер п2т 5 без...