3.7 Трехфазный мостовой выпрямитель
Неуправляемые выпрямители - презентация онлайн
34. Однофазный мостовой выпрямитель с индуктивн...
Ответы Mail: Что такое мостовой выпрямитель с е...
Трёхфазный мостовой выпрямитель - ОСНОВЫ ЭЛЕКТР...
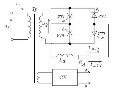
18. Трехфазный мостовой управляемый выпрямитель...
Купить Выпрямитель тока Бренд (1 упаковка)новый...
Управляемый выпрямитель - презентация онлайн
6.3. Однофазный мостовой выпрямитель
ТРЕХФАЗНЫЙ МОСТОВОЙ ВЫПРЯМИТЕЛЬ - Общая электро...
Мостовой управляемый выпрямитель трехфазного тока
Трехфазный мостовой выпрямитель - принцип работ...
11.1 Выпрямители
Многофазный выпрямитель на основе последователь...
Мостовой выпрямитель - YouTube
4. Трехфазный мостовой выпрямитель
ТРЕХФАЗНЫЙ МОСТОВОЙ УПРАВЛЯЕМЫЙ ВЫПРЯМИТЕЛЬ
Схема подключения мостового выпрямителя
Однофазные управляемые мостовые выпрямители
Выпрямитель трехфазный мостовой: принцип работы...
Расчёт мостовых выпрямителей в курсовом проекти...
1 шт.-диодный мост выпрямителя 100A Amp 1600V Н...
Выпрямители. Как и почему?
7.1 Однофазный мостовой выпрямитель
Мостовой управляемый выпрямитель - Электроника ...
Купить Выпрямитель Maestro - цена: 2421 ₽, хара...
1.4. Мостовой выпрямитель
1.3.2 Трехфазный мостовой выпрямитель