80-250VAC FOTEK Solid State Relay SSR SSR-10DA ...
Твердотельное реле FOTEK SSR-25DA
Fotek SSR-25DA-H, SSR-40DA-H Fotek Solid State ...
Fotek Solid State Relay SSR-25DA-H, SSR-40DA-H,...
Jual Fotek SSR 25 DA 25 A | ATS Official
Fotek Solid state Relay SSR-25DA-H - Fully Auto...
Aerial.net :: SSR-25DA FOTEK 25A Output AC24-38...
Genuine FOTEK SSR-25 DA Solid State Module
25 Amp Fotek SSR 25DA Solid State Relay, Model ...
Wholesale Fotek Sensor Ssr-25aa/ssr-40da Single...
1pcs SSR 25A Solid State Relay FOTEK SSR-25DA :...
FOTEK SOLID STATE RELAY SSR-25DA-H - K-Tech Sol...
FOTEK solid state relay SSR-25DA
1PC Fotek SSR-25DA-H SSR25DAH Solid State Relay...
FOTEK - SSR-25DA-H - Board | Call ICDC for Tech...
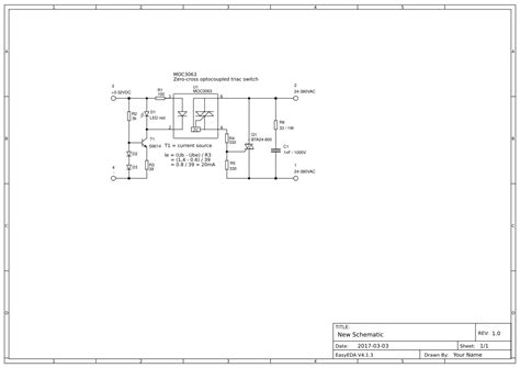
Fotek SSR-25DA - EasyEDA open source hardware lab
FOTEK 25A,50A DC to AC Solid State Relay(SSR...
Free shipping FOTEK single phase solid state re...
FOTEK SSR-25DA (TAIWAN) | Shopee Malaysia
FOTEK SOLID STATE RELAY #SSR #SSR-25DA #ORIGINA...
SSR-25DA Relay/Socket by FOTEK
SSR-F-25DA-H Relay/Socket by FOTEK
FOTEK Solid State Relay SSR SSR-10DA SSR-25DA S...
Solid state relay SSR Fotek-25DA 25A 480VAC / B...
RELAY SOLID STATE RELAY SSR FOTEK DC INPUT TO A...
Inferior Counterfeit FOTEK SSR-25 Solid State R...