Как заменить лампочку в противотуманной фаре Ки...
ПТФ Киа Рио 3: противотуманки, противотуманные ...
Как снять передние фары Киа Рио 3
Led Птф Киа Рио 3 купить на OZON по низкой цене
Ремонт фары киа рио 3
Установка линз в фары и замена передней фары Ki...
Крепление фары Kia Rio 3 2011-2017 – купить за ...
Как отрегулировать фары на киа рио 3 рестайлинг
Как поменять лампочку противотуманки на киа рио 3
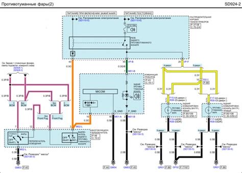
Киа рио 3 распиновка разъема фары левой
Передние фары Киа Рио 3 Eagle Eyes / KIA RIO / ...
Противотуманные фары (комплект) для Kia Rio 3 р...
Противотуманки на киа рио 3 (44 фото) - hdpic к...
Распиновка фары киа рио 3
Противотуманные фары Kia Rio 3 2011 2012 2013 2...
Регулировка света фар Киа Рио 3: своими руками,...
Противотуманные фары (ПТФ) Kia Rio (Киа Рио): у...
Замена противотуманной фары Киа Рио в Москве - ...
замена лампы в противотуманной фаре на киа рио ...