When M8029 off ? - Mitsubishi - Forums.MrPLC.com
TPC8029_4529334.PDF Datasheet Download --- IC-O...
LTM8033 Datasheet and Product Info | Analog Dev...
LTC2992 Datasheet and Product Info | Analog Dev...
LTC3829 Datasheet and Product Info | Analog Dev...
Homestore Philippines | 8029C
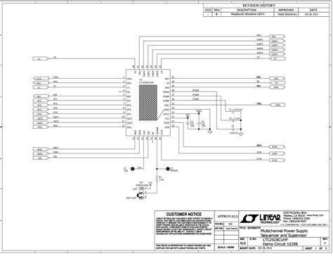
LTC2928 Datasheet and Product Info | Analog Dev...
Original PM8029 Power IC for Samsung in pakista...
LM809 15_LM809-0647 UserMan LM809_USER_MANUAL_V...
10~50pcs/lot LM9022M LM9022 LM9022MX SOP 8 100%...
L8229 Datasheet(PDF) - STMicroelectronics
IC-PM8029 - Display.LK
2 PCS LM629N-8 DIP-28 LM629 Precision Motion Co...
LR8129C | Metal Leg - Lee's Decorative Showcase
LTC2992 Archives - Electronics-Lab.com
LTC4089 Datasheet and Product Info | Analog Dev...
LTM8029 Datasheet(PDF) - Linear Technology
5PCS-20PCS-NEW-LM9022M-LM9022-SOP-8.jpg
YC-8029-YC-8029 Black | Leoptique
P829C – Hollow Cathode Lamp (HCL) – Agilent Cod...
LM2951ACMC-LM2951-2951ACMC-SOP-8.jpg
PM8029 Power IC - KB GSM STORE PM8029 Power IC ...
Modello 8029 | La Lampada
Mini AMP(max30V 10A)-L809 - fongkit
100% New&original LM9022 LM9022M LM9022MX SOP 8...
10PCS-LM2904DR-LM2904-SOP8-LM2903DR-LM2903-LM29...
LTM8032 | Macnica Cytech
TPC8129:datasheet, description, applications, a...
C829 PDF Datasheet - 20V, 30mA, NPN Transistor ...
LTM8029 Datasheet and Product Info | Analog Dev...
HMC8192 Datasheet and Product Info | Analog Dev...
Power IC Module PM8029 – Alexnld.com