TDA7269A
TDA7269 音频,放大器 引脚图 PDF - 芯文库
TDA7269, MULTIWATT-11 Entegre Devre
IC TDA 7269A – فروشگاه سلحشور
Усилок Tda 7293 1200Ватт - Усилители мощности н...
TDA7269 datasheet
供应直插 TDA7269A ST音頻放大器功放芯片 ZIP-11全...
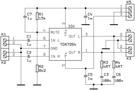
Тда7269 схема подключения - 80 фото
Микросхема TDA7269A — Купить Недорого на Bigl.u...
TDA 7269 A | STMICROELECTRONICS Amplificator audio
Как запитать TDA 7294 - Песочница (Q&A) - Форум...
TDA 7294 V | VARIOUS Wzmacniacz audio class AB ...
tda7269参数,a7269a,a7269电路图_大山谷图库
Распаковка усилитель на TDA 7294 - YouTube
Module TDA7269 TDA7269A ZIP11 Original authenti...
TDA 7269A
Tda7269a datasheet на русском
Тда7269а схема подключения - 94 фото
Tda 7294 Тихое Звучание. - Усилители мощности н...
Tda7267a схема включения 58 фото - wForm.ru
IC TDA7269A
TDA7269A TDA7269ชิปขยายเสียงแบบบูรณาการบล็อกเสี...
Гибридный усилитель на TDA 7294. Описание. - Yo...
РадиоКот :: Усилитель на TDA 7294.
1pcs-lot-TDA7269A-TDA7269-ZIP-11-In-Stock.jpg
Jual Ic Audio Amplifier TDA7269 TDA 7269 ST | S...
Tda 7294 Молчит - Песочница (Q&A) - Форум по ра...
TDA-7269-A IC TDA7269A INTEGRATED CIRCUIT
5PCS TDA7269A TDA7269 14+14W STEREO AMPLIFIER N...
МП3 модуль вместо ДВД в аудиосистеме. - Песочни...
Tda 7294 - Niska cena na Allegro.pl
Semiconductor: TDA7269A (TDA 7269A) - POWER AMP...
TDA7269A datasheet(3/7 Pages) STMICROELECTRONIC...