Shibaura ST321
ST-321B - Chân đế micro | Chính hãng, giá tốt
ST 321 Fuel filter SCT
شیر ظرفشویی شاوری استیل البرز مدل ST-321 | پخش ...
Переходник ST-321 SMA-female - TNC-male (ВЧ пер...
Альпинист 321 схемотехника - Схемотехника для н...
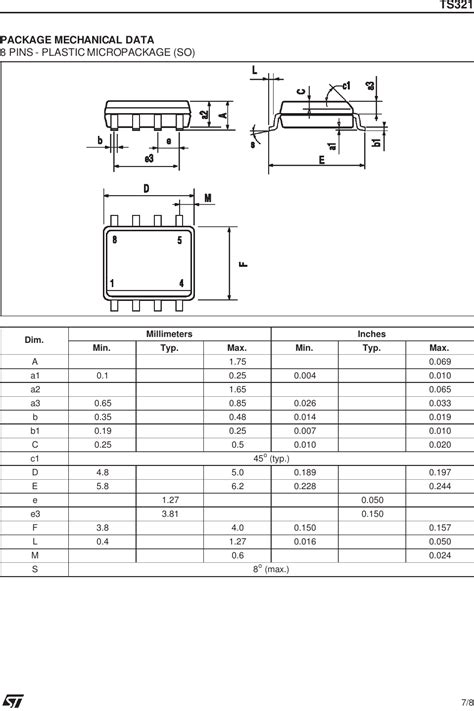
TS321 Datasheet. Www.s manuals.com. St321 St
Navette ST-321 - Encyclopédie Star Wars HoloNet
Купить st-321 sma мама - tnc папа переходник в ...
شیر ظرفشویی شلنگدار استیل البرز ST321 با رنگ کر...
Soporte transversal inoxidable ST-321 - Gentile...
شیر ظرفشویی استیل البرز ST 321-قیمت+خرید شیرظرف...
ST 321 | Вукипедия | Fandom
ST – 321 – Concealed Wall Mixer With Wall Flang...
ST321 - Milartes Mayorista
Переделка Электрофона Россия-321 Стерео - Песоч...
NAVE ST321
Переходник-адаптер 2 шт ST-321 с разъемами SMA-...
ST-321 Blank Template - Imgflip
ВЧ-переходник NF-321
ST-321B - Products - TOA Electronics
قیمت شیر ظرفشویی کد ST321 استیل البرز با تخفیف ...
TS321ILT STMicroelectronics - Datasheet PDF & T...
St-321 - Wikimon - The #1 Digimon wiki
ВЧ-переходник SN-321